Potente Multi = Aplicación Sierra.
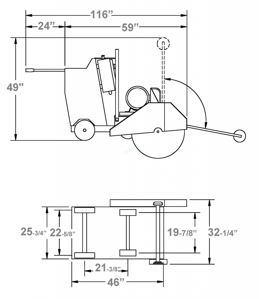
Gran poder que se ajusta a través de un marco de puerta de 30 "
Capacidad de la cuchilla de 14" - 42"
Accionado eléctrico
Características y beneficios:
- Bastidor diseñado para un par más alto de los motores de alta potencia
- Motor de posición delantera para más peso en la cuchilla y menos en el operador.
- Autopropulsado
- Modelos de una o tres velocidades.
- El pivote delantero permite un giro fácil
- Manija de control multifunción
Especificaciones:

INCLUYE: Arranque eléctrico, puntero frontal telescópico, contador de horas, indicador de profundidad de corte, elevación del marco, bridas de la cuchilla de desconexión rápida.
