Capacidad estándar de bits de 11"
La desconexión rápida profesional más rápida
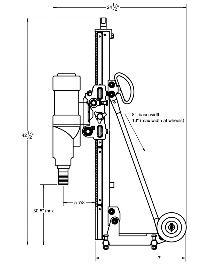
Características y beneficios:
- Montaje del motor de desconexión rápida que facilita la extracción del motor
- Mango de 4 radios (se puede usar a la derecha o a la izquierda) en la plataforma de combo
- Bloqueo de carro positivo y bloqueo de fricción
- Columna de aluminio ligero extruido (mástil) que tiene una pista reforzada con guía de rodillos de acero y rodillos
- Panel de control dual / amperímetro incluido con equipos de combinación
- Botón de vacío de liberación rápida
- Asa de transporte conveniente
- Burbuja de nivel en la columna
- 2 relaciones de transmisión para facilitar la alimentación del carro
- Soporte de ángulo para perforar hasta 45 °
