Ideal para municipios y tiendas de alquiler.
Diseño del árbol de transmisión = Torque total
Capacidad de la cuchilla de 14" - 30"

Características y beneficios:
- Gran sierra de tamaño medio para servicios, trabajos de utilidad y alquiler.
- El eje del gato permite la potencia total del motor
- Fácil manejo de propulsión autopropulsada
- Mecanismo de ajuste del motor para ajuste y mantenimiento de la correa.
- El marco más fuerte del mercado.
- 30% más de torsión con el nuevo diseño de eje de conexión (en modelos a gas)
- Se adapta a través de un marco de puerta de 30"
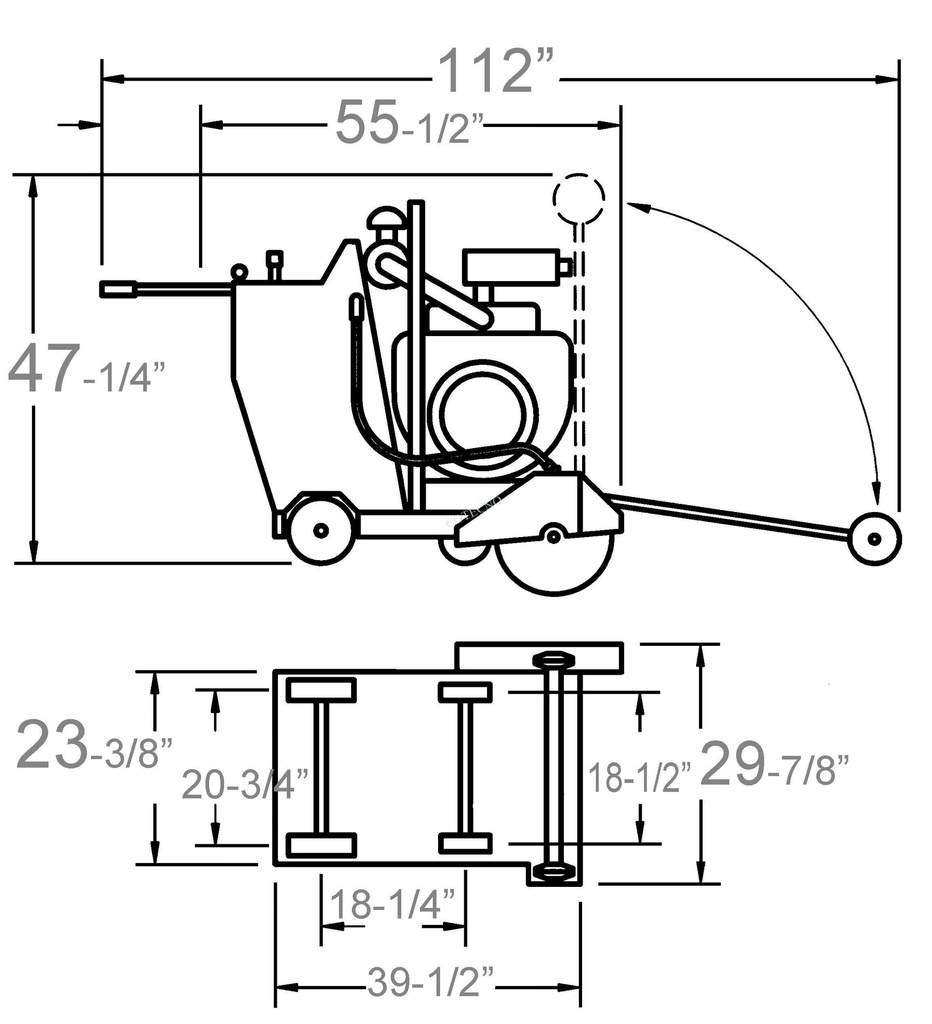
Especificaciones:

INCLUYE:
Puntero frontal telescópico, indicador de profundidad de corte, bridas de la cuchilla de desconexión rápida, contador de horas, elevación del marco.
